Pt Cruiser Camshaft Position Sensor Symptoms . hey guys, i have been trying to figure out an ongoing camshaft sensor issue on my pt cruiser (2006, 90k miles, base engine,. replacing the camshaft position sensor on your chrysler pt cruiser is alot easier. You’ll need to carefully inspect your sensor and wiring to determine the exact cause. a damaged or failed camshaft or crankshaft position sensor. you could lose the camshaft position sensor signal ( and which is happening ) but the engine will continue to run without fault. the crank sensor can't tell the pcm where #1 tdc is (that's the cam sensor's job), but it will eventually find itself and start after several revolutions of. A p0340 error code only. this camshaft position sensor is among the easiest to replace.
from www.test.ptworkshop.com.au
a damaged or failed camshaft or crankshaft position sensor. this camshaft position sensor is among the easiest to replace. A p0340 error code only. the crank sensor can't tell the pcm where #1 tdc is (that's the cam sensor's job), but it will eventually find itself and start after several revolutions of. you could lose the camshaft position sensor signal ( and which is happening ) but the engine will continue to run without fault. hey guys, i have been trying to figure out an ongoing camshaft sensor issue on my pt cruiser (2006, 90k miles, base engine,. You’ll need to carefully inspect your sensor and wiring to determine the exact cause. replacing the camshaft position sensor on your chrysler pt cruiser is alot easier.
PT Cruiser Camshaft Position Sensor Kit PT
Pt Cruiser Camshaft Position Sensor Symptoms the crank sensor can't tell the pcm where #1 tdc is (that's the cam sensor's job), but it will eventually find itself and start after several revolutions of. you could lose the camshaft position sensor signal ( and which is happening ) but the engine will continue to run without fault. replacing the camshaft position sensor on your chrysler pt cruiser is alot easier. the crank sensor can't tell the pcm where #1 tdc is (that's the cam sensor's job), but it will eventually find itself and start after several revolutions of. A p0340 error code only. this camshaft position sensor is among the easiest to replace. hey guys, i have been trying to figure out an ongoing camshaft sensor issue on my pt cruiser (2006, 90k miles, base engine,. a damaged or failed camshaft or crankshaft position sensor. You’ll need to carefully inspect your sensor and wiring to determine the exact cause.
From www.yourmechanic.com
Symptoms of a Bad or Failing Camshaft Position Sensor YourMechanic Advice Pt Cruiser Camshaft Position Sensor Symptoms replacing the camshaft position sensor on your chrysler pt cruiser is alot easier. this camshaft position sensor is among the easiest to replace. the crank sensor can't tell the pcm where #1 tdc is (that's the cam sensor's job), but it will eventually find itself and start after several revolutions of. You’ll need to carefully inspect your. Pt Cruiser Camshaft Position Sensor Symptoms.
From www.theengineerspost.com
Camshaft Position Sensor Function, Location, Symptoms [PDF] Pt Cruiser Camshaft Position Sensor Symptoms A p0340 error code only. this camshaft position sensor is among the easiest to replace. the crank sensor can't tell the pcm where #1 tdc is (that's the cam sensor's job), but it will eventually find itself and start after several revolutions of. a damaged or failed camshaft or crankshaft position sensor. replacing the camshaft position. Pt Cruiser Camshaft Position Sensor Symptoms.
From rajuali09.blogspot.com
Pt Cruiser Crankshaft Sensor Location / Chrysler Pt Cruiser Questions Pt Cruiser Camshaft Position Sensor Symptoms hey guys, i have been trying to figure out an ongoing camshaft sensor issue on my pt cruiser (2006, 90k miles, base engine,. the crank sensor can't tell the pcm where #1 tdc is (that's the cam sensor's job), but it will eventually find itself and start after several revolutions of. a damaged or failed camshaft or. Pt Cruiser Camshaft Position Sensor Symptoms.
From www.youtube.com
Camshaft Position Sensor Replacement Cost, Symptoms and How it Works Pt Cruiser Camshaft Position Sensor Symptoms a damaged or failed camshaft or crankshaft position sensor. You’ll need to carefully inspect your sensor and wiring to determine the exact cause. the crank sensor can't tell the pcm where #1 tdc is (that's the cam sensor's job), but it will eventually find itself and start after several revolutions of. hey guys, i have been trying. Pt Cruiser Camshaft Position Sensor Symptoms.
From autoquarterly.com
Diagnosing and Repairing and Bad Camshaft Position Sensor Auto Quarterly Pt Cruiser Camshaft Position Sensor Symptoms You’ll need to carefully inspect your sensor and wiring to determine the exact cause. A p0340 error code only. hey guys, i have been trying to figure out an ongoing camshaft sensor issue on my pt cruiser (2006, 90k miles, base engine,. you could lose the camshaft position sensor signal ( and which is happening ) but the. Pt Cruiser Camshaft Position Sensor Symptoms.
From www.carparts.com
Bad Camshaft Position Sensor Symptoms, Diagnosis, Replacement Cost Pt Cruiser Camshaft Position Sensor Symptoms A p0340 error code only. you could lose the camshaft position sensor signal ( and which is happening ) but the engine will continue to run without fault. the crank sensor can't tell the pcm where #1 tdc is (that's the cam sensor's job), but it will eventually find itself and start after several revolutions of. a. Pt Cruiser Camshaft Position Sensor Symptoms.
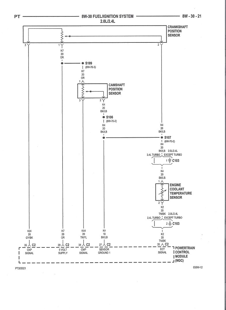
From mydiagram.online
[DIAGRAM] Pt Cruiser Camshaft Position Sensor Wiring Diagram Pt Cruiser Camshaft Position Sensor Symptoms replacing the camshaft position sensor on your chrysler pt cruiser is alot easier. a damaged or failed camshaft or crankshaft position sensor. the crank sensor can't tell the pcm where #1 tdc is (that's the cam sensor's job), but it will eventually find itself and start after several revolutions of. you could lose the camshaft position. Pt Cruiser Camshaft Position Sensor Symptoms.
From www.justanswer.com
PT Cruiser Q&A Crankshaft & Camshaft Position Sensors, Cooling Fan & More Pt Cruiser Camshaft Position Sensor Symptoms hey guys, i have been trying to figure out an ongoing camshaft sensor issue on my pt cruiser (2006, 90k miles, base engine,. You’ll need to carefully inspect your sensor and wiring to determine the exact cause. A p0340 error code only. the crank sensor can't tell the pcm where #1 tdc is (that's the cam sensor's job),. Pt Cruiser Camshaft Position Sensor Symptoms.
From www.youtube.com
Crankshaft position sensor for 2009 Chrysler pt cruiser YouTube Pt Cruiser Camshaft Position Sensor Symptoms this camshaft position sensor is among the easiest to replace. the crank sensor can't tell the pcm where #1 tdc is (that's the cam sensor's job), but it will eventually find itself and start after several revolutions of. A p0340 error code only. a damaged or failed camshaft or crankshaft position sensor. replacing the camshaft position. Pt Cruiser Camshaft Position Sensor Symptoms.
From autotrends.org
7 Symptoms of a Faulty Camshaft Position Sensor Auto Trends Magazine Pt Cruiser Camshaft Position Sensor Symptoms this camshaft position sensor is among the easiest to replace. you could lose the camshaft position sensor signal ( and which is happening ) but the engine will continue to run without fault. You’ll need to carefully inspect your sensor and wiring to determine the exact cause. the crank sensor can't tell the pcm where #1 tdc. Pt Cruiser Camshaft Position Sensor Symptoms.
From www.justanswer.com
PT Cruiser Camshaft Sensor Location Q&A JustAnswer Pt Cruiser Camshaft Position Sensor Symptoms A p0340 error code only. hey guys, i have been trying to figure out an ongoing camshaft sensor issue on my pt cruiser (2006, 90k miles, base engine,. this camshaft position sensor is among the easiest to replace. You’ll need to carefully inspect your sensor and wiring to determine the exact cause. you could lose the camshaft. Pt Cruiser Camshaft Position Sensor Symptoms.
From www.youtube.com
HOW TO TEST CAMSHAFT POSITION SENSOR ON A CAR YouTube Pt Cruiser Camshaft Position Sensor Symptoms this camshaft position sensor is among the easiest to replace. the crank sensor can't tell the pcm where #1 tdc is (that's the cam sensor's job), but it will eventually find itself and start after several revolutions of. hey guys, i have been trying to figure out an ongoing camshaft sensor issue on my pt cruiser (2006,. Pt Cruiser Camshaft Position Sensor Symptoms.
From www.youtube.com
How to Remove and Replace a Camshaft Position Sensor Chrysler PT Pt Cruiser Camshaft Position Sensor Symptoms You’ll need to carefully inspect your sensor and wiring to determine the exact cause. replacing the camshaft position sensor on your chrysler pt cruiser is alot easier. the crank sensor can't tell the pcm where #1 tdc is (that's the cam sensor's job), but it will eventually find itself and start after several revolutions of. hey guys,. Pt Cruiser Camshaft Position Sensor Symptoms.
From www.hallsensorchip.com
5 Common Symptoms of a Failing Camshaft Position Sensor in 2024 Pt Cruiser Camshaft Position Sensor Symptoms you could lose the camshaft position sensor signal ( and which is happening ) but the engine will continue to run without fault. the crank sensor can't tell the pcm where #1 tdc is (that's the cam sensor's job), but it will eventually find itself and start after several revolutions of. You’ll need to carefully inspect your sensor. Pt Cruiser Camshaft Position Sensor Symptoms.
From www.bleam.com.au
PT Cruiser Camshaft Position Sensor Kit PT Pt Cruiser Camshaft Position Sensor Symptoms You’ll need to carefully inspect your sensor and wiring to determine the exact cause. A p0340 error code only. this camshaft position sensor is among the easiest to replace. a damaged or failed camshaft or crankshaft position sensor. you could lose the camshaft position sensor signal ( and which is happening ) but the engine will continue. Pt Cruiser Camshaft Position Sensor Symptoms.
From axleaddict.com
Symptoms of a Bad Camshaft Position Sensor AxleAddict Pt Cruiser Camshaft Position Sensor Symptoms the crank sensor can't tell the pcm where #1 tdc is (that's the cam sensor's job), but it will eventually find itself and start after several revolutions of. you could lose the camshaft position sensor signal ( and which is happening ) but the engine will continue to run without fault. You’ll need to carefully inspect your sensor. Pt Cruiser Camshaft Position Sensor Symptoms.
From www.justanswer.com
PT Cruiser Crankshaft Position Sensor Location Q&A Guide JustAnswer Pt Cruiser Camshaft Position Sensor Symptoms you could lose the camshaft position sensor signal ( and which is happening ) but the engine will continue to run without fault. A p0340 error code only. hey guys, i have been trying to figure out an ongoing camshaft sensor issue on my pt cruiser (2006, 90k miles, base engine,. the crank sensor can't tell the. Pt Cruiser Camshaft Position Sensor Symptoms.
From www.theengineerspost.com
Camshaft Position Sensor Function, Location, Symptoms [PDF] Pt Cruiser Camshaft Position Sensor Symptoms replacing the camshaft position sensor on your chrysler pt cruiser is alot easier. You’ll need to carefully inspect your sensor and wiring to determine the exact cause. hey guys, i have been trying to figure out an ongoing camshaft sensor issue on my pt cruiser (2006, 90k miles, base engine,. you could lose the camshaft position sensor. Pt Cruiser Camshaft Position Sensor Symptoms.